一.产品概述
YO-LC1该传感器弹性体采用剪切或弯曲悬臂梁结构,一端固定,一端受力,外形高度低,结构强度高,可用于各种拉伸力和压宿力的承载和测量。适用于电子秤、衡器等各种测力、称重的工业自动化测量控制.
二.产品用途
适用于电子秤、衡器等各种测力、称重的工业自动化测量控制系统.
二.产品特点
该传感器弹性体采用剪切或弯曲悬臂梁结构,一端固定,一端受力,外形高度低,结构强度高,可用于各种拉伸力和压宿力的承载和测量。具有:防尘密封、量程范围广、精度高、性能稳定可靠、安装使用方便等特点。
参数 | 单位 | 技术指标 | 参数 | 单位 | 技术指标 |
灵敏度 | mV/V | 2.0±0.05 | 灵敏度温度系数 | ≤%F·S/10℃ | ±0.03 |
非线性 | ≤%F·S | ±0.03 | 工作温度范围 | ℃ | -20℃~+80℃ |
滞后 | ≤%F·S | ±0.03 | 输入电阻 | Ω | 350±20Ω |
重复性 | ≤%F·S | ±0.02 | 输出电阻 | Ω | 350±5Ω |
蠕变 | ≤%F·S/30min | ±0.03 | 安全过载 | ≤%F·S | 150% F·S |
零点输出 | ≤%F·S | ±1 | 绝缘电阻 | MΩ | ≥5000MΩ(50VDC) |
零点温度系数 | ≤%F·S/10℃ | ±0.03 | 推荐激励电压 | V | 10V-15V |
三.技术参数
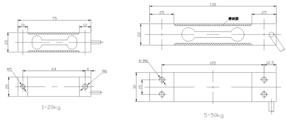
外形尺寸
