一.产品概述
YO-LC3筒式荷重传感器根据额定载荷力大小分别采用柱式、板环式和S型结构,广泛应用于各种电子汽车衡、轨道衡、平台秤、料斗秤及其它各种称重、测力。
二.产品用途
广泛应用于水泥、煤炭等各种行业的电子汽车衡、轨道衡、平台秤、料斗秤及其他各种称重、测力的工业自动化测量控制系统。
三.产品特点
该传感器根据载荷力大小及作用分别采用筒式、柱式结构。具有量程范围大、结构密封性好,性能稳定可靠,安装使用方便等特点。
四.技术参数
参数 | 单位 | 技术指标 | 参数 | 单位 | 技术指标 |
灵敏度 | mV/V | 1.0~1.5±0.05 | 灵敏度温度系数 | ≤%F·S/10℃ | ±0.1 |
非线性 | ≤%F·S | ±0.3 | 工作温度范围 | ℃ | -20℃~+80℃ |
滞后 | ≤%F·S | ±0.3 | 输入电阻 | Ω | 750±20Ω |
重复性 | ≤%F·S | ±0.15 | 输出电阻 | Ω | 700±5Ω |
蠕变 | ≤%F·S/30min | ±0.3 | 安全过载 | ≤%F·S | 150% F·S |
零点输出 | ≤%F·S | ±1 | 绝缘电阻 | MΩ | ≥2000MΩ(50VDC) |
零点温度系数 | ≤%F·S/10℃ | ±0.1 | 推荐激励电压 | V | 10V-15V |
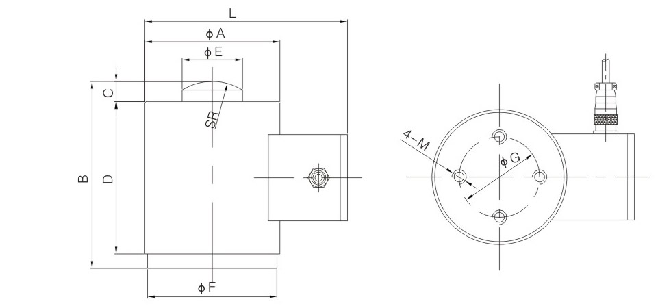
外形尺寸

量程
量程 | ФA | B | C | D | ФE | ФF | ФG | SR | 4-M | L |
10~30t | 94 | 130 | 14 | 106 | 42 | 89 | 56 | 40 | M10 | 124 |
50~100t | 129 | 178 | 18 | 148 | 76 | 124 | 82 | 75 | M12 | 160 |
150~200t | 149 | 220 | 24 | 182 | 100 | 144 | 98 | 95 | M14 | 180 |
250~300t | 184 | 260 | 28 | 216 | 120 | 178 | 130 | 130 | M16 | 219 |